Hitta rätt delar direkt!

eller

Välj ATV/UTV manuellt

Lägg till regnummer

Fyll i dina uppgifter så lägger vi till ditt regnummer i vårt register. Vi återkopplar så fort vi kan!

Används för att kontakta dig när ditt regnummer finns i vårt register.



Information

Reservdelssökning på registreringsnummer eller märke, modell, årsmodell:


När du söker på reservdelar via registreringsnummer eller modell visas passande delar till ditt valda fordon upp med information om delen passar eller är så kallad universal.


Delar märkta med "Passar din fyrhjuling" är direkt anpassade för ditt valda fordon. Är delen märkt med detta garanterar vi att den passar ditt valda fordon, om delen mot förmodan inte skulle passa hjälper vi dig kostnadsfritt med ett byte till passande del.


Delar märkta med "Universal" är inte direkt modellanpassade men passar de flesta typer av fordon. 


Vid Sökning på registreringsnummer kontrollera att sökningen ger korrekt information om ditt fordon, du ser information om detta högst upp på sidan under menyerna.


Om du vill navigera runt bland reservdelarna på sidan kommer din sökning sparas och då endast visa matchande reservdelar tills du väljer att återställa den.


För att komma tillbaka till resultatsidan klickar du på "Visa alla delar"


 

Artikelnummer 5351
DRAGON WINCH

Vinschrelä 120AMP

400 kr (ink. moms)
Bevaka produkt
Onlinelager Tillfälligt slut
Butikslager 0 I Lager
Leverans- & Returinformation Frågor om produkten?
Bevaka produkt

Ange din e-postadress och få ett mejl när produkten är åter i lager igen.

Kontakta oss

Produktinformation
Vinschrelä 120AMP

Vinschrelä 120AMP

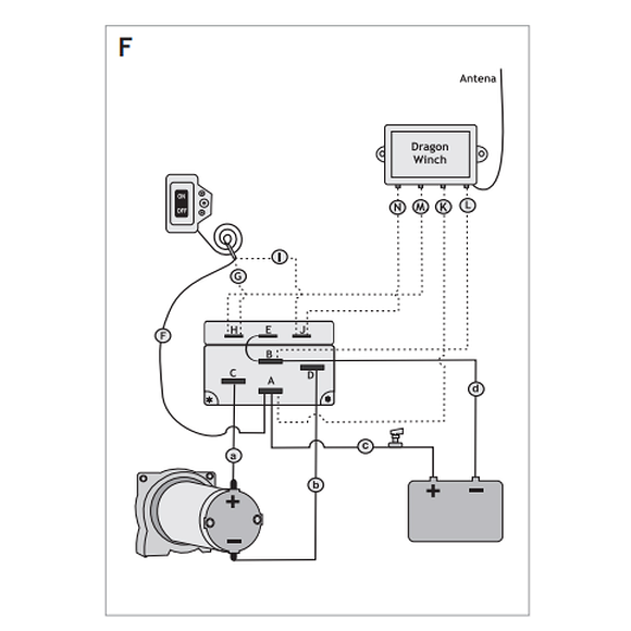
Vinschrelä för 12v ATV vinsch

Kopplas till Batteri +/- och vinschmotor samt styrström från vinschknapp

Inkopplingschema på andra bilden
Längd: 55mm
Bred: 39mm
Höjd: 49mm

Specifikationer
  • ATV-Vinschtillbehör
    • Vinschtillbehör Typ Vinschrelä & Kontaktor
Manualer & Guider

Lär dig mer om Vinschvajrar

Leverans- & Returinformation

Snabb Frakt Med Postnord - Från 39kr
Fri Frakt Över 2500kr - Alla beställningar över 2500kr ink moms har fri frakt* (Gäller ej fordon)
Gratis Byte - Passar inte varan som du tänkt och du vill byta till annan vara ordnar vi med returfrakten**
Enkel Retur - Råkade du beställa fel och vill skicka tillbaka din order kan vi tillhandahålla returfraktsedalar för att förenkla returen***
Öppet Köp -  30 Dagar


Fraktkostnad
Fraktkostnader för beställningar under 2500 kr:
Postnord Varubrev - Till Brevlådan från 39 kr (Under 699kr ordervärde)
Postnord - Till Ombud 55 kr
Postnord - Hempaket fr. 89 kr
Postnord - Företagspaket fr. 155 kr
Hämta på lager eller butik 0 kr

Leveranstid
Vi skickar normalt din order samma dag vid order innan klockan 07:00 när vi har varan i lager, se beräknad leveranstid under köpknappen och se alla leveransalternativ i kassan.
Leverans Vagnar, Plogar & Större gods:
Notera att större & tyngre Gods, t.ex. plogar, vagnar och större redskap levereras med Postnord Hemleverans och det förekommer olika utkörningsdagar beroende på ort, när vi skickar din order får du ett SMS eller mejl med en länk till en sida för att se vilken/vilka dagar och tider du kan boka utkörningen till. Beroende på ort får du en eller flera dagar att välja på och ett tidsfönster för leveransen på 2-4 timmar.

Spårningsnummer:
Efter att din order har blivit skickad så kommer du få ett kolli / sändningsnummer per e-post med vilket du kan följa paketets väg och hämta ut det så snart det har kommit fram, oavsett om du har fått någon avi eller inte.


Vid retur eller byte - Kontakta oss här


Läs våra fullständiga köpvillkor här




* Avser Postnord som speditör, väljs i kassan. Fri frakt gäller ej Fordon samt vissa skrymmande Vagnar/Redskap/Väskor, i kassan ser du alltid din totala orderkostnad, inga extra fraktavgifter tillkommer utöver vad som visas i kassan.


** Vill du byta din beställda vara mot en annan tillhandahåller vi returfraktsedlar som du använder för att skicka tillbaka varan utan kostnad, anmäl ditt byte via returformuläret här


***Vid retur av din order kan vi tillhandahålla returfraktsedlar som du använder för att skicka tillbaka din order, se priser för returfraktsedlar i returformuläret och anmäl din retur här

Betalning
Vid köp i vår webbshop erbjuder vi betalning via Klarna där du som kund kan välja mellan att betala med Kort, Direktbetalning via banköverföring, Faktura med 30 dagars betaltid eller avbetalning direkt i kassan

Din betalning aktiveras först efter att vi skickar din order vilket betyder att även om du beställer varor som har några dagars leveranstid så har du 30 dagars betaltid från den dagen vi skickar din order om du har valt faktura i kassan.

Så snart vi skickar din order får du ett mejl från klarna med en faktura eller underlag för ditt köp, beställer du som företag får du en momsspecifierad faktura eller underlag om du har valt att betala med kort eller direktöverföring.

För att enklare hålla koll på dina fakturor och underlag rekommenderar vi dig att installera Klarnas App som finns för Iphone och Android telefoner eller logga in på www.app.klarna.com med ditt BankID, där får du snabbt och enkelt översikt över dina beställningar.

Vid retur av en vara som är betald med faktura rekommenderar vi dig att logga in på Klarna och ange ange din order som returnerad, då kommer fakturan pausas tills vi har mottagit och behandlat returen och du riskerar inte att fakturans förfallodatum överskrids.

Se alla tillgängliga betalningsalternativ i kassan.
Utgått